Cầu trước, tay lái trợ lực 2WD

Cầu trước, tay lái trợ lực 2WD
STT Tên sản phẩm Mã số Giá bán Đặt hàng
1 Cầutrước Ghi chú : SUB FOR SJ14697 SJ40341
2 Vòngbi chặn R234114
3 Vòngbi đũađỡ Ghi chú : ORDER RE73676 SJ11010
3 Vòngbi đũađỡ Ghi chú : Inner RE73676 1,075,000
4 Vòngbi côn đũa Ghi chú : ORDER RE73678 SJ11011
4 Vòngbi đũađỡ Ghi chú : Outer RE73678 845,000
5 Đai ốc R246399
6 Cúthệthốngmỡbôi trơn RE178282
7 Vòng đệm lò xo SU297647
8 Vànhđệmkhóa Ghi chú : 8 mm 12M7008
9 Bulông SU297648
10 Vít R208639
11 Miếngchêm Ghi chú : TK = 0.5 mm R246350
12 Miếngchêm Ghi chú : TK = 0.3 mm R246349
13 Vànhđệm R221408
14 Vòngbịt R234110 119,000
15 Cổtrục SU297642
16 Nắpđỡbộtrục R141213
17 Ốngcách R246347 116,000
18 Vòngbịt RE246340 258,000
19 Vòngbịt RE246341 282,000
20 Vòngbịt Ghi chú : USE WITH SJ14697 RE73675 1,720,000
20 Vòngbịt Ghi chú : USE WITH SJ40341 SU41869
21 Chốt SU302733
22 Ốnglót R180595
23 Vòngđệm R180596
24 Tay đòn lái SU302730
25 Buồnghìnhtrụ Ghi chú : INCLUDES SJ18862 AND SU51513 SJ28927
25 Bộđệmkín SJ18862 1,865,000
25 Chụpxếpcao su SU51513
26 Píttông RE182070
27 Đai ốchãm RE182071
28 Khớp nối cầu có đế lõm RE182073
29 Vòngchặn R182072
30 Đầuxylanh SU34080
31 Vànhkhung SU34238
32 Đai ốchãm SU34079
33 Thanh giằng SJ19073 7,119,000
34 Vànhkhung SU34237
35 Cúthệthốngmỡbôi trơn RE180594
36 Đầu thanh nối Ghi chú : BÊN PHẢI RE190506 2,114,000
37 Đầu thanh nối Ghi chú : BÊN TRÁI RE190481 2,114,000
38 Ống Ghi chú : Liên kếtgiữa R190671
39 Cổtrục SU26988 115,000
40 Bộthanh liên kết Ghi chú : SUB FOR RE234118 RE192255
41 Nắpchụp SU26987
42 Vòngchặn SU20907
43 Khuỷu Ghi chú : BÊN PHẢI SJ14704
44 Khuỷu Ghi chú : BÊN TRÁI SJ14706
45 Vỏ SJ10612
46 Chụpxếpcao su R180606
47 Ốnglót R141206 302,000
48 Miếngchêm Ghi chú : TK = 1.00 mm R246348 39,000
49 Đai ốc R190792
50 Đai ốc R141214 334,000
51 Bulông R190676
52 Ốnglót R141207 270,000

Cầu trước có thể điều chỉnh được 2WD

Cầu trước có thể điều chỉnh được 2WD
STT Tên sản phẩm Mã số Giá bán Đặt hàng
1 Cầutrước RE194715

Cụm cầu trước, tay đòn lái

Cụm cầu trước, tay đòn lái
STT Tên sản phẩm Mã số Giá bán Đặt hàng
1 Vítmũ Ghi chú : M12 X 90 19M7943
2 Tay đòn lái Ghi chú : BÊN TRÁI R217614
3 Đai ốc Ghi chú : M12 14M7275
4 Vòngbịt R217611
5 Ốnglót R217605
6 Gốinốicầu Ghi chú : BÊN TRÁI RE217602
7 Cúthệthốngmỡbôi trơn 58M5573
8 Vòngbịt R217613
9 Ốnglót R217606 922,000
10 Chốt R217618
11 Ốnglót R217619
12 Đai ốc Ghi chú : M20 14M7306
13 Tay đòn lái Ghi chú : BÊN PHẢI R217615
14 Gốinốicầu Ghi chú : BÊN PHẢI RE217603
15 Vỏ RE217600

Moayơ cầu trước, có thể điều chỉnh được

Moayơ cầu trước, có thể điều chỉnh được
STT Tên sản phẩm Mã số Giá bán Đặt hàng
1 Vòngbi chặn RE216333
2 Vòngbịt R217612 606,000
3 Đai ốc Ghi chú : M12 14M7154
4 Khuỷu Ghi chú : BÊN TRÁI RE217608
4 Khuỷu Ghi chú : BÊN PHẢI RE217610
5 Đinh tán R216330
6 Cổtrục R217617
7 Vòngbi côn đũa RE246865
8 Vòng đệm kín R217607 1,146,000
9 Chốthãm Ghi chú : 5 X 40 mm 11M7030
10 Nắp R109451
11 Đai ốc R114016
12 Ổtrục RE208806
13 Nút R121079

hệ thống lái và thanh giằng, có thể điều chỉnh được

hệ thống lái và thanh giằng, có thể điều chỉnh được
STT Tên sản phẩm Mã số Giá bán Đặt hàng
1 Nắpxylanh thủylực R246864
2 Bộđệmkín RE246863
3 Đai ốc Ghi chú : M18 14M7209
4 Vànhđệm R114001
5 Bulông R113998
6 Buồnghìnhtrụ RE247592
7 Đai ốchãm Ghi chú : M18 14M7371
8 Vítmũ R217821
9 Đai ốc Ghi chú : M12 14M7066 43,000
10 Khớpcầu RE217819
11 Bộthanh liên kết RE217616
12 Đầu thanh nối RE217817 3,296,000

Cầu trước, Tay lái trợ lực, không điều chỉnh được

Cầu trước, Tay lái trợ lực, không điều chỉnh được
STT Tên sản phẩm Mã số Giá bán Đặt hàng
1 Chi tiếtgiữ SU58846
2 Chốt R138001
3 Miếngchêm Ghi chú : TK= 0.5 mm R222279
4 Chi tiếtgiữ Ghi chú : ORDER SU58846 R255165
5 Vít Ghi chú : M12 X 35 19M7790 63,000
6 Tấmkhóa Ghi chú : ORDER SU58846 SU20401
7 Cầutrước Phụ tùng thay thế SJ40341 SJ14697

Bộ phận lắp, tay lái trợ lực 2WD, có thể điều chỉnh được

Bộ phận lắp, tay lái trợ lực 2WD, có thể điều chỉnh được
STT Tên sản phẩm Mã số Giá bán Đặt hàng
1 Chi tiếtgiữ Ghi chú : ORDER SU58846 R255165
2 Vít Ghi chú : M12 X 35 19M7790 63,000
3 Miếngchêm Ghi chú : TK= 0.5 mm R222279
4 Chốt Ghi chú : ORDER R141703 R105065
5 Chốt R141703
6 Chếch 38H5023
7 Gioăng chữO T77857 11,000
8 Gioăng chữO Ghi chú : 11.300 X 2.200 mm 51M7041
9 Tấmkhóa Ghi chú : ORDER SU58846 SU20401
10 Chi tiếtgiữ SU58846

Thiết bị dừng và hỗ trợ cầu trước MFWD

Thiết bị dừng và hỗ trợ cầu trước MFWD

Hỗ trợ cầu trước, 2WD, bộ nạp

Hỗ trợ cầu trước, 2WD, bộ nạp

Cầu trước MFWD

Cầu trước MFWD

Xilanh thủy lực, MFWD

Xilanh thủy lực, MFWD
STT Tên sản phẩm Mã số Giá bán Đặt hàng
1 Xylanh thủylực Ghi chú : INCLUDES LVA14168 LVA14158
1 Bộđệmkín LVA14168 3,743,000
2 Bộthiếtbịrảihạt LVA14170 876,000
3 Thanh giằng LVA14171
4 Thanh dẫnxylanh thủylực LVU17447
5 Píttông LVU17446
6 Vànhđệm Ghi chú : 21/32" X 1-3/8" X 0.134" 24H1370
7 Đai ốc LVU18952
8 Chốthãm Ghi chú : 3.200 X 50 mm 11M7083

Moayơ cầu trước MFWD

Moayơ cầu trước MFWD
STT Tên sản phẩm Mã số Giá bán Đặt hàng
1 Khuỷu Ghi chú : BÊN PHẢI SJ14408
1 Khuỷu Ghi chú : BÊN TRÁI SJ14407
2 Vỏ SU26569
3 Vòngchặn N71921
4 Bộchêm LVU22480
5 Vòngbi cầu JD8518 1,157,000
6 Vòngbi cầu M138275
7 Nhómbánhrăng Ghi chú : SUB FOR M138282 AND M138283 LVU30598 13,913,000
8 Bánhrăng Ghi chú : SUB FOR M136866 AND M138279 LVU30599 26,006,000
9 Vòng côn tựa JD8159
10 Bộđệmkín SJ14405 2,278,000
11 Vòng ngoài vòng bi lồngcầu SU26570 1,645,000
12 Khuỷu Ghi chú : RH; SUB FOR SJ14401 LVU27463
12 Khuỷu Ghi chú : LH;SUB FOR SJ14406 LVU27460
13 Vòng ngoài vòng bi lồngcầu JD8210 911,000
14 Nút ống có ren Ghi chú : 1/8" 15H558
15 Vòng ngoài vòng bi lồngcầu SU26918 1,210,000
16 Vòng côn tựa SU26919 2,204,000
17 Vànhđệmkhóa LVU10742 485,000
18 Đai ốchãm SU37820 2,859,000
19 Vòngchặn N71921
20 Trục M138278
21 Vòngchặn N85286
22 Vòngbi cầu M138274 5,628,000
23 Phầnvỏđầura Ghi chú : SUB FOR SJ14404 LVU27466
24 Vòng ngoài vòng bi lồngcầu JD9114 939,000
25 Gioăng chữO SU25900 338,000
26 Vòng côn tựa JD9049 1,543,000
27 Bộđệmkín SJ14405 2,278,000
28 Trục SU26568
29 Vòngchặn W23122
30 Bộchêm LVU22537
31 Vànhđệm M138034
32 Đai ốchãm M138038
33 Vít Ghi chú : M8 X 30 19M7868 32,000
34 Nút LVU20868 409,000
35 Ốngcách M138284
36 Bộchêm LVU22536

Cụm cầu trước MFWD

Cụm cầu trước MFWD
STT Tên sản phẩm Mã số Giá bán Đặt hàng
1 Cầutrước SJ11733

Cầu trước, tay lái trợ lực

Cầu trước, tay lái trợ lực
STT Tên sản phẩm Mã số Giá bán Đặt hàng
1 Trụcày Ghi chú : BÊN TRÁI RE246338
2 Cầutrước RE209648
3 Trụcày Ghi chú : BÊN PHẢI RE246339
4 Ốnglót R141206 302,000
5 Đai ốc R208621
6 Ốngcách R208620
7 Bulông R208619
8 Bulông R208631
9 Giáđỡ Ghi chú : ORDER SJ41148 R208640
9 Giáđỡ SJ41148
10 Vànhđệm R208633
11 Ốnglót R141207 270,000
12 Ốnglót R209650
13 Ốnglót R209651
14 Ốngcách R208632
15 Đai ốchãm R208634
16 Vòng đệm lò xo R208622
17 Vànhđệm R247811

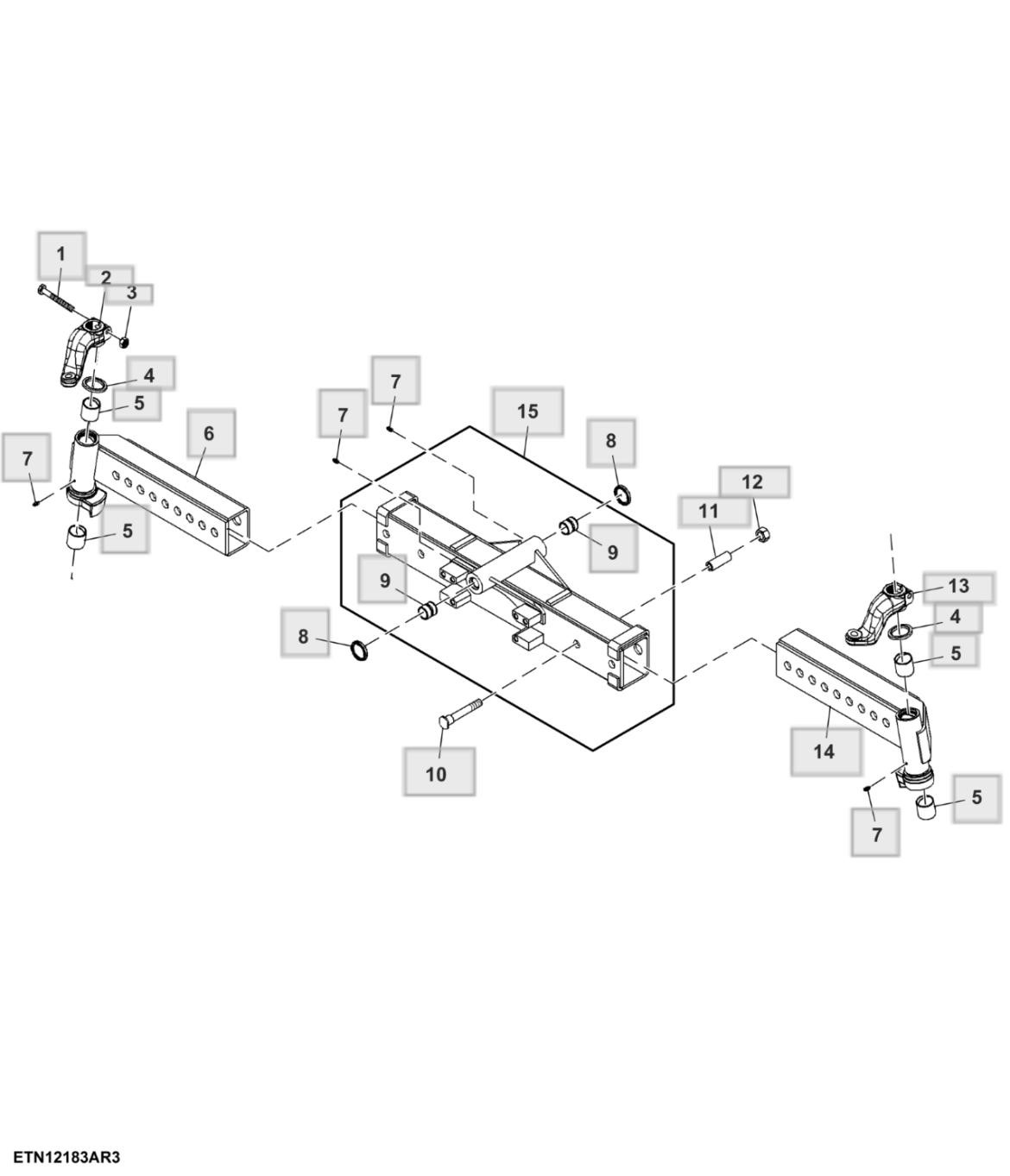
Lắp cầu trước, tay lái trợ lực

Lắp cầu trước, tay lái trợ lực
STT Tên sản phẩm Mã số Giá bán Đặt hàng
1 Vít Ghi chú : M12 X 35 19M7790 63,000
2 Tấmkhóa Ghi chú : ORDER SU58846 SU20401
3 Chốt R138001
4 Miếngchêm Ghi chú : TK = 0.5 mm R222279
5 Chi tiếtgiữ Ghi chú : ORDER SU58846 R255165
6 Chi tiếtgiữ SU58846

Bản lề cầu trước

Bản lề cầu trước
STT Tên sản phẩm Mã số Giá bán Đặt hàng
1 Cầutrước Ghi chú : INCLUDES RE247599; SUB FOR SJ14699 SJ40342
1 Bộđệmkín RE247599
2 Khuỷu Ghi chú : BÊN PHẢI SJ14702
2 Khuỷu Ghi chú : BÊN TRÁI SJ14700
3 Khuỷu Ghi chú : BÊN PHẢI RE246345
3 Khuỷu Ghi chú : BÊN TRÁI RE246344
4 Ốngcách R246347 116,000
5 Vòngbịt RE246340 258,000
6 Cổtrục SU26988 115,000
7 Vòngbi chặn R234114
8 Ốnglót R141206 302,000
9 Vòngbịt RE246341 282,000
10 Miếngchêm Ghi chú : TK = 1.0 mm R246348 39,000
10 Miếngchêm Ghi chú : TK = 0.3 mm R246349
10 Miếngchêm Ghi chú : TK = 0.5 mm R246350
11 Nắpchụp SU26987
12 Vòngbịt R234110 119,000
13 Ốnglót R141207 270,000
14 Vànhđệm R221408
15 Cúthệthốngmỡbôi trơn RE180594
16 Đai ốc R246399
17 Buồnghìnhtrụ SJ19339
18 Ốnglót R180595
19 Vòngđệm R180596
20 Chốthàn Ghi chú : SUB FORSU302733, Phụ tùng thay thế SU302733 R246398
21 Vít R208639
22 Bulông R190676
23 Tay đòn lái Ghi chú : BÊN PHẢI R190675
24 Bộthanh liên kết RE208624
25 Vòngbịt Ghi chú : For India Market SU41869
25 Vòngbịt RE73675 1,720,000
26 Vòngbi đũađỡ RE73676 1,075,000
27 Cổtrục SU297642
28 Vòngbi đũađỡ RE73678 845,000
29 Đai ốc R141214 334,000
30 Nắpđỡbộtrục R141213
31 Vànhđệmkhóa R178428
32 Bulông R190899
33 Cúthệthốngmỡbôi trơn RE178282
34 Vànhđệmkhóa Ghi chú : 8 mm 12M7008
35 Đai ốc R190792
36 Khớp nối cầu có đế lõm RE182073
37 Đầu thanh nối Ghi chú : BÊN TRÁI RE190481 2,114,000
38 Đầu thanh nối Ghi chú : BÊN PHẢI RE190506 2,114,000
39 Ốngcách R246346 364,000
40 Vòngchặn R182069
41 Vòngchặn R182074
42 Đầuxylanh RE182075
43 Đai ốchãm RE182071
44 Píttông RE182070
45 Thanh giằng SJ19073 7,119,000
46 Vòngchặn R182072
47 Chụpxếpcao su R180606
messenger
zalo