| STT | Tên sản phẩm | Mã số | Giá bán | Đặt hàng |
|---|---|---|---|---|
| 1 | Vít Ghi chú : (A) 3/8" X 3/4" | 19H3781 | ||
| 1 | Vít Ghi chú : (B) M10 X 20 | 19M7784 | ||
| 2 | Êcu mặtbích Ghi chú : M10 | 14M7296 | 35,000 | |
| 3 | Vànhđệm Ghi chú : 10.700 X 21 X 2.500 mm | 24M7239 | ||
| 4 | Giáđỡ | R140875 | ||
| 5 | Bơm thủylực | RE227447 | 21,280,000 | |
| 6 | Rãnhthen trục | R140893 | ||
| 7 | Bánhrăng | R126250 | ||
| 8 | Vànhđệm | R140882 | ||
| 9 | Đai ốc | R140881 | ||
| 10 | Ốngkếtcấu Ghi chú : ORDER RE227447 | ....... | ||
| 11 | Ốnggóp Ghi chú : ORDER RE227447 | ....... | ||
| 12 | Gioăng chữO | U42702 | 92,000 | |
| 13 | Vòngbịt Ghi chú : ORDER RE227447 | ....... |
| STT | Tên sản phẩm | Mã số | Giá bán | Đặt hàng |
|---|---|---|---|---|
| 1 | Vỏ | SU20090 | ||
| 2 | Ốnglót Ghi chú : BÊN PHẢI | R225825 | 661,000 | |
| 3 | Ốnglót Ghi chú : BÊN TRÁI | R225824 | 588,000 | |
| 4 | Vít Ghi chú : M12 X 30 | 19M7789 | 45,000 | |
| 5 | Vít Ghi chú : M12 X 120 | 19M7821 | ||
| 6 | Ống | R274697 | ||
| 7 | Lỗthông hơi | RE208697 | ||
| 8 | Nútbịtđầunối | R238981 | ||
| 9 | Đinh tán | 42M7069 | ||
| 10 | Êcu mặtbích Ghi chú : M12 | 14M7299 | 42,000 | |
| 11 | Vítmũ Ghi chú : M14 X 40 | 19M7490 | ||
| 12 | Vànhđệm Ghi chú : 15.500 X 28 X 4 mm | 24M7446 | ||
| 13 | Vỏ | SJ10058 | ||
| 14 | Vít | R249995 | ||
| 15 | Vít đầu ổcắm | R253024 | ||
| 16 | Gioăng chữO Ghi chú : 15.300 X 2.200 mm | 51M7043 | 15,000 |
| STT | Tên sản phẩm | Mã số | Giá bán | Đặt hàng |
|---|---|---|---|---|
| 1 | Vỏ | SU20090 | ||
| 2 | Ốnglót Ghi chú : BÊN PHẢI | R225825 | 661,000 | |
| 3 | Ốnglót Ghi chú : BÊN TRÁI | R225824 | 588,000 | |
| 4 | Vít Ghi chú : M12 X 30 | 19M7789 | 45,000 | |
| 5 | Vít Ghi chú : M12 X 120 | 19M7821 | ||
| 6 | Ống | R274697 | ||
| 7 | Lỗthông hơi | RE208697 | ||
| 8 | Nútbịtđầunối | R238981 | ||
| 9 | Đinh tán | 42M7069 | ||
| 10 | Êcu mặtbích Ghi chú : M12 | 14M7299 | 42,000 | |
| 11 | Vítmũ Ghi chú : M14 X 40 | 19M7490 | ||
| 12 | Vànhđệm Ghi chú : 15.500 X 28 X 4 mm | 24M7446 | ||
| 13 | Vỏ Ghi chú : W/ Bushing | SJ10058 | ||
| 14 | Nút Ghi chú : SUB FOR SU22453 | SU48081 | ||
| 15 | Vít đầu ổcắm | R253024 | ||
| 16 | Vít | R249995 | ||
| 17 | Gioăng chữO Ghi chú : 15.300 X 2.200 mm | 51M7043 | 15,000 |
| STT | Tên sản phẩm | Mã số | Giá bán | Đặt hàng |
|---|---|---|---|---|
| 1 | Vànhđệm Ghi chú : 8.700 X 17 X 2 mm | 24M7238 | 14,000 | |
| 2 | Vít Ghi chú : M8 X 16 | 19M7865 | 27,000 | |
| 3 | Vít Ghi chú : M8 X 70 | 19M7803 | ||
| 4 | Bản | R105175 | ||
| 5 | Lò xo hình đĩa Ghi chú : 14.200 X 28 X 1.500 mm | 12M6601 | ||
| 6 | Vànhđệm | R105216 | ||
| 7 | Trục | SJ10060 | ||
| 8 | Cần | RE46017 | ||
| 9 | Gioăng chữO | P51212 | ||
| 10 | Đĩa | R105198 | 671,000 | |
| 11 | Ốnglót | R105208 | ||
| 12 | Cần | SJ300764 | ||
| 13 | Ốngcách | R105166 | ||
| 14 | Vànhđệm | R105168 | ||
| 15 | Gioăng chữO Phụ tùng thay thế P48347 | R34404 | ||
| 16 | Đai ốc Ghi chú : M8 | 14M7273 | ||
| 17 | Cổtrục | SU303176 | ||
| 18 | Vít Ghi chú : M10 X 25 | 19M8533 | ||
| 19 | Gioăng chữO | H21957 | ||
| 20 | Ốngcách | R114422 | ||
| 21 | Ốngcách | R240565 |
| STT | Tên sản phẩm | Mã số | Giá bán | Đặt hàng |
|---|---|---|---|---|
| 1 | Vànhđệm Ghi chú : 8.700 X 17 X 2 mm | 24M7238 | 14,000 | |
| 2 | Vít Ghi chú : M8 X 16 | 19M7865 | 27,000 | |
| 3 | Vít Ghi chú : M8 X 70 | 19M7803 | ||
| 4 | Bản | R105175 | ||
| 5 | Lò xo hình đĩa Ghi chú : 14.200 X 28 X 1.500 mm | 12M6601 | ||
| 6 | Vànhđệm | R105216 | ||
| 7 | Trục | SJ10060 | ||
| 8 | Cần | RE46017 | ||
| 9 | Gioăng chữO | P51212 | ||
| 10 | Đĩa | R105198 | 671,000 | |
| 11 | Ốnglót | R105208 | ||
| 12 | Cần | SJ300764 | ||
| 13 | Ốngcách | R105166 | ||
| 14 | Vànhđệm | R105168 | ||
| 15 | Gioăng chữO Phụ tùng thay thế P48347 | R34404 | ||
| 16 | Đai ốc Ghi chú : M8 | 14M7273 | ||
| 17 | Cổtrục | SU303176 | ||
| 18 | Vít Ghi chú : M10 X 25 | 19M8533 | ||
| 19 | Gioăng chữO | H21957 | ||
| 20 | Ốngcách | R114422 | ||
| 21 | Trục | SU47028 | ||
| 22 | Vòngchặn | 40M7039 | ||
| 23 | Chốtlòxo Ghi chú : 6 X 35 mm | 34M7216 | 19,000 | |
| 24 | Gioăng chữO | R131149 | ||
| 25 | Liên kết | SU294993 | ||
| 26 | Liên kết | SJ295029 | ||
| 27 | Vòngchặn | R72653 | 30,000 | |
| 28 | Bản | SJ12179 | ||
| 29 | Vànhđệm Ghi chú : 8.400 X 16 X 1.600 mm | 24M7055 | 9,000 | |
| 30 | Gioăng chữO | SU46166 |
| STT | Tên sản phẩm | Mã số | Giá bán | Đặt hàng |
|---|---|---|---|---|
| 1 | Vòngchặn | 40M7331 | 244,000 | |
| 2 | Van an toàn | RE251427 | ||
| 3 | Vànhđệm | R226041 | 186,000 | |
| 4 | Gioăng chữO | L2027CU | 164,000 | |
| 5 | Vòngchặn | 40M7016 | ||
| 6 | Cầntrục | SU20945 | 3,557,000 | |
| 7 | Trụctay đònđiềuchỉnh | R225892 | ||
| 8 | Vànhđệm | R226040 | 808,000 | |
| 9 | Vànhđệm | R262680 | 265,000 | |
| 10 | Chốtlòxo | SU289312 | ||
| 11 | Cầnnâng | R225896 | 4,470,000 | |
| 12 | Chốtlòxo Ghi chú : 1/4" X 2-1/4" | 34H110 | 28,000 | |
| 13 | Thanh giằng | R105155 | 2,754,000 | |
| 14 | Vòng chịu mòn | R225912 | 300,000 | |
| 15 | Píttông | SU52153 | ||
| 16 | Vòngbịt | SU52155 | ||
| 17 | Buồnghìnhtrụ | SU52154 | ||
| 18 | Vít Ghi chú : M12 X 35 | 19M7790 | 63,000 | |
| 19 | Vòng đệm kín | R245442 | ||
| 20 | Nút ống có ren Ghi chú : 1/4" | 15H275 | 85,000 | |
| 21 | Gioăng chữO | T36492 | ||
| 22 | Xylanh thủylực Ghi chú : INCLUDES RE251427 | SJ32208 |
| STT | Tên sản phẩm | Mã số | Giá bán | Đặt hàng |
|---|---|---|---|---|
| 1 | Van điều chỉnh Ghi chú : INCLUDES SJ32221 AND SJ40345; SUB FOR SJ11303 | SJ34845 | ||
| 1 | Bộđệmkín | SJ32221 | ||
| 1 | Van kiểmtra Ghi chú : SUB FOR SJ32096 | SJ40345 | ||
| 2 | Van điều chỉnh Ghi chú : SUB FOR SJ12632 | SJ33025 | ||
| 3 | Van điều chỉnh Ghi chú : SUB FOR SJ12449 | SJ33026 | ||
| 4 | Nắp đầu mút | R243180 | ||
| 5 | Vít Ghi chú : M8 X 25 | 19M7867 | ||
| 6 | Vít | SU54210 | ||
| 7 | Móc Ghi chú : ORDER SJ31687 | SJ23641 | ||
| 8 | Vít Ghi chú : M6 X 20 | 19M8736 | ||
| 9 | Vànhđệmkhóa Ghi chú : 10.200 mm, Phụ tùng thay thế 12M7135 | 12M6791 | ||
| 10 | Vànhđệmkhóa Ghi chú : 8 mm | 12M7065 | ||
| 11 | Đai ốchãm | N207951 | ||
| 12 | Êcu mặtbích Ghi chú : M8 | 14M7298 | 27,000 | |
| 13 | Đinh tán | R138278 | ||
| 14 | Vít Ghi chú : M8 X 25 | 19M7657 | ||
| 15 | Vòng đệm lò xo | SU290627 | ||
| 16 | Gioăng chữO | T77858 | 12,000 | |
| 17 | Gioăng chữO Ghi chú : 19.300 X 2.200 mm | 51M7045 | 14,000 | |
| 18 | Núm | R224174 | ||
| 19 | Đầunốicóren | 38H5121 | ||
| 19 | Chếch | 38H5066 | ||
| 20 | Móc Ghi chú : Van mócSUB FOR SJ31687 | SJ40343 | ||
| 21 | Van điều chỉnh | SJ290466 | ||
| 22 | Van an toàn Ghi chú : ORDER SJ34845 | ....... | ||
| 23 | Gioăng chữO | T77857 | 11,000 |
| STT | Tên sản phẩm | Mã số | Giá bán | Đặt hàng |
|---|---|---|---|---|
| 1 | Gioăng chữO | SU290483 | ||
| 2 | Gioăng chữO | SU290482 | ||
| 3 | Gioăng chữO | SU290479 | ||
| 4 | Van Ghi chú : Preselector | RE264726 | ||
| 5 | Gioăng chữO | SU290471 | ||
| 6 | Gioăng chữO | SU290472 | ||
| 7 | Gioăng chữO | SU290473 | ||
| 8 | Gioăng chữO | SU290474 | ||
| 9 | Gioăng chữO | SU290475 | ||
| 10 | Gioăng chữO | SU290476 | ||
| 11 | Gioăng chữO | SU290477 | ||
| 12 | Gioăng chữO | SU290478 |
| STT | Tên sản phẩm | Mã số | Giá bán | Đặt hàng |
|---|---|---|---|---|
| 1 | Vànhkhung | T26209 | ||
| 2 | Vànhkhung | SU290473 | ||
| 3 | Gioăng chữO | SU290474 | ||
| 4 | Vànhkhung | SU290477 | ||
| 5 | Gioăng chữO | SU290478 | ||
| 6 | Gioăng chữO | SU290482 | ||
| 7 | Vànhkhung | SU290483 | ||
| 8 | Vànhkhung | SU290486 | ||
| 9 | Gioăng chữO | 4348665 | ||
| 10 | Gioăng chữO | M158244 | ||
| 11 | Gioăng chữO | U46166 | ||
| 12 | Gioăng chữO Ghi chú : 13.300 X 2.200 mm | 51M7042 | 63,000 | |
| 13 | Gioăng chữO Ghi chú : 17.300 X 2.200 mm | 51M7044 | ||
| 14 | Gioăng chữO | AT309938 | ||
| 15 | Gioăng chữO Ghi chú : 15.300 X 2.200 mm | 51M7043 | 15,000 | |
| 16 | Gioăng chữO | U46731 | ||
| 17 | Bi | SU290489 |
| STT | Tên sản phẩm | Mã số | Giá bán | Đặt hàng |
|---|---|---|---|---|
| 1 | Vít Ghi chú : M6 X 12 | 19M7774 | 26,000 | |
| 2 | Bản | R226889 | ||
| 3 | Chốt | R225898 | ||
| 4 | Cúthệthốngmỡbôi trơn | JD7763 | ||
| 5 | Giáđỡ | R225897 | ||
| 6 | Chốthãm Ghi chú : 3.200 X 32 mm | 11M7017 | ||
| 7 | Đai ốc Ghi chú : M16 | 14M7331 | ||
| 8 | Vànhđệm | R232923 | ||
| 9 | Ốngcách | R225911 | ||
| 10 | Gioăng chữO | H35237 | ||
| 11 | Bộthanh liên kết | R225906 | ||
| 12 | Chốtlòxo Ghi chú : 3 X 24 mm | 34M7023 | ||
| 13 | Vít Ghi chú : M12 X 30 | 19M7789 | 45,000 | |
| 14 | Chi tiếtgiữ | R225910 | ||
| 15 | Vànhđệm | R225908 | ||
| 16 | Miếngchêm Ghi chú : TK = 0.2 mm | R262264 | ||
| 17 | Miếngchêm Ghi chú : TK = 0.5 mm | R262265 | ||
| 18 | Lò xo áp lực | R225907 | ||
| 19 | Nắp | R226888 | ||
| 20 | Vít Ghi chú : M10 X 20 | 19M7784 | ||
| 21 | Vít | R249994 | ||
| 22 | Chốtkhóanhanh | AR62149 | ||
| 23 | Chốtbulông | R139684 | ||
| 24 | Giáđỡ | SJ12064 |
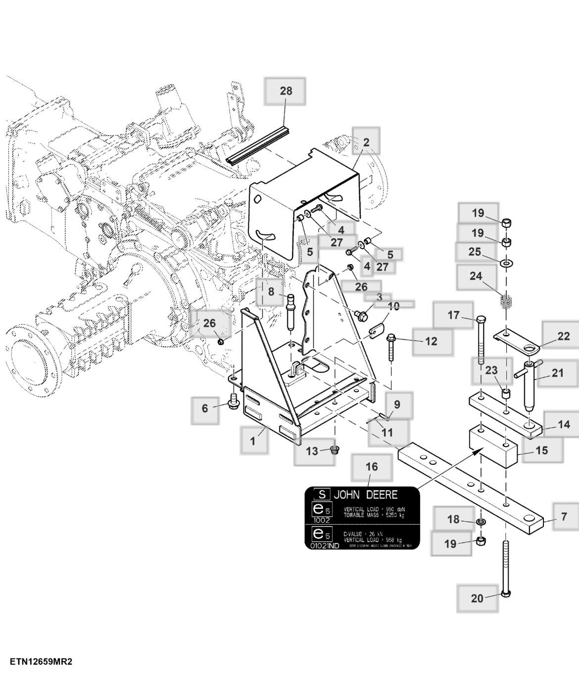
| STT | Tên sản phẩm | Mã số | Giá bán | Đặt hàng |
|---|---|---|---|---|
| 1 | Vít Ghi chú : M6 X 12 | 19M7774 | 26,000 | |
| 2 | Bản | R226889 | ||
| 3 | Chốt | R225898 | ||
| 4 | Cúthệthốngmỡbôi trơn | JD7763 | ||
| 5 | Giáđỡ Ghi chú : Liên kếtgiữa | R225897 | ||
| 6 | Chốthãm Ghi chú : 3.200 X 32 mm | 11M7017 | ||
| 7 | Đai ốc Ghi chú : M16 | 14M7331 | ||
| 8 | Vànhđệm | R232923 | ||
| 9 | Ốngcách | R225911 | ||
| 10 | Gioăng chữO | H35237 | ||
| 11 | Bộthanh liên kết | R225906 | ||
| 12 | Chốtlòxo Ghi chú : 3 X 24 mm | 34M7023 | ||
| 13 | Vít Ghi chú : M12 X 30 | 19M7789 | 45,000 | |
| 14 | Chi tiếtgiữ | R225910 | ||
| 15 | Vànhđệm | R225908 | ||
| 16 | Miếngchêm Ghi chú : TK = 0.2 mm | R262264 | ||
| 17 | Miếngchêm Ghi chú : TK = 0.5 mm | R262265 | ||
| 18 | Lò xo áp lực | R225907 | ||
| 19 | Nắp Ghi chú : Lò xo cảm biến lực kéo | R226888 | ||
| 20 | Vít Ghi chú : M10 X 20 | 19M7784 | ||
| 21 | Chốtkhóanhanh | SU20995 | ||
| 22 | Chốtbulông | R139684 | ||
| 23A | A Giáđỡ Ghi chú : Lắp đặt liên kết giữa | SJ12064 | ||
| 23B | B Giáđỡ Ghi chú : Lắp đặt liên kết giữa SUB FOR SJ12064 | SJ39218 | ||
| 24 | Vít | R249994 |
| STT | Tên sản phẩm | Mã số | Giá bán | Đặt hàng |
|---|---|---|---|---|
| 1 | Bộ trục lắc Ghi chú : INCLUDES (2) R249994 | SJ11704 | ||
| 1 | Vít | R249994 |
| STT | Tên sản phẩm | Mã số | Giá bán | Đặt hàng |
|---|---|---|---|---|
| 1 | Vỏ | SU20090 | ||
| 2 | Ốnglót Ghi chú : BÊN PHẢI | R225825 | 661,000 | |
| 3 | Ốnglót Ghi chú : BÊN TRÁI | R225824 | 588,000 | |
| 4 | Vít Ghi chú : M12 X 30 | 19M7789 | 45,000 | |
| 5 | Vít Ghi chú : M12 X 120 | 19M7821 | ||
| 6 | Ống | R274697 | ||
| 7 | Lỗthông hơi | RE208697 | ||
| 8 | Nútbịtđầunối | R238981 | ||
| 9 | Đinh tán | 42M7069 | ||
| 10 | Êcu mặtbích Ghi chú : M12 | 14M7299 | 42,000 | |
| 11 | Vítmũ Ghi chú : M14 X 40 | 19M7490 | ||
| 12 | Vànhđệm Ghi chú : 15.500 X 28 X 4 mm | 24M7446 | ||
| 13 | Vỏ | SJ10058 | ||
| 14 | Nút Ghi chú : SUB FOR SU22453 | SU48081 | ||
| 15 | Vít đầu ổcắm | R253024 | ||
| 16 | Vít | R249995 | ||
| 17 | Gioăng chữO Ghi chú : 15.300 X 2.200 mm | 51M7043 | 15,000 |
| STT | Tên sản phẩm | Mã số | Giá bán | Đặt hàng |
|---|---|---|---|---|
| 1 | Vỏ Ghi chú : W\O Bushings | SU20090 | ||
| 2 | Ốnglót Ghi chú : BÊN PHẢI | R225825 | 661,000 | |
| 3 | Ốnglót Ghi chú : BÊN TRÁI | R225824 | 588,000 | |
| 4 | Vít Ghi chú : M12 X 30 | 19M7789 | 45,000 | |
| 5 | Vít Ghi chú : M12 X 120 | 19M7821 | ||
| 6 | Ống Ghi chú : LGTH = 152 mm | R274697 | ||
| 7 | Lỗthông hơi Ghi chú : Assembly | RE208697 | ||
| 8 | Nútbịtđầunối | R238981 | ||
| 9 | Đinh tán | 42M7069 | ||
| 10 | Êcu mặtbích Ghi chú : M12 | 14M7299 | 42,000 | |
| 11 | Vítmũ Ghi chú : M14 X 40 | 19M7490 | ||
| 12 | Vànhđệm Ghi chú : 15.500 X 28 X 4 mm | 24M7446 | ||
| 13 | Vỏ Ghi chú : W\ Bushings | SJ10058 | ||
| 14 | Nút Ghi chú : SUB FOR SU22453 | SU48081 | ||
| 15 | Vít đầu ổcắm | R253024 | ||
| 16 | Vít | R249995 | ||
| 17 | Gioăng chữO Ghi chú : 15.300 X 2.200 mm | 51M7043 | 15,000 |
| STT | Tên sản phẩm | Mã số | Giá bán | Đặt hàng |
|---|---|---|---|---|
| 1 | Vòngchặn | 40M7331 | 244,000 | |
| 2 | Van an toàn | RE251427 | ||
| 3 | Vànhđệm | R226041 | 186,000 | |
| 4 | Gioăng chữO | L2027CU | 164,000 | |
| 5 | Vòngchặn | 40M7016 | ||
| 6 | Cầntrục | SU20945 | 3,557,000 | |
| 7 | Trụctay đònđiềuchỉnh | R225892 | ||
| 8 | Vànhđệm | R226040 | 808,000 | |
| 9 | Vànhđệm | R262680 | 265,000 | |
| 10 | Chốtlòxo | SU289312 | ||
| 11 | Cầnnâng | R225896 | 4,470,000 | |
| 12 | Chốtlòxo Ghi chú : 1/4" X 2-1/4" | 34H110 | 28,000 | |
| 13 | Thanh giằng | R105155 | 2,754,000 | |
| 14 | Vòng chịu mòn | R225912 | 300,000 | |
| 15 | Píttông | SU52153 | ||
| 16 | Vòngbịt | SU52155 | ||
| 17 | Buồnghìnhtrụ | SU52154 | ||
| 18 | Vít Ghi chú : M12 X 35 | 19M7790 | 63,000 | |
| 19 | Vòng đệm kín | R245442 | ||
| 20 | Nút ống có ren Ghi chú : 1/4" | 15H275 | 85,000 | |
| 21 | Gioăng chữO | T36492 | ||
| 22 | Xylanh thủylực Ghi chú : INCLUDES RE251427 | SJ32208 |
| STT | Tên sản phẩm | Mã số | Giá bán | Đặt hàng |
|---|---|---|---|---|
| 1 | Vànhđệm Ghi chú : 8.700 X 17 X 2 mm | 24M7238 | 14,000 | |
| 2 | Vít Ghi chú : M8 X 16 | 19M7865 | 27,000 | |
| 3 | Vít Ghi chú : M8 X 70 | 19M7803 | ||
| 4 | Bản | R105175 | ||
| 5 | Lò xo hình đĩa Ghi chú : 14.200 X 28 X 1.500 mm | 12M6601 | ||
| 6 | Vànhđệm | R105216 | ||
| 7 | Trục | SJ10060 | ||
| 8 | Cần | RE46017 | ||
| 9 | Gioăng chữO | P51212 | ||
| 10 | Đĩa | R105198 | 671,000 | |
| 11 | Ốnglót | R105208 | ||
| 12 | Cần Ghi chú : INCL KEY 11 | SJ300764 | ||
| 13 | Ốngcách | R105166 | ||
| 14 | Vànhđệm | R105168 | ||
| 15 | Gioăng chữO Phụ tùng thay thế P48347 | R34404 | ||
| 16 | Đai ốc Ghi chú : M8 | 14M7273 | ||
| 17 | Cổtrục | SU303176 | ||
| 18 | Vít Ghi chú : M10 X 25 | 19M8533 | ||
| 19 | Gioăng chữO | H21957 | ||
| 20 | Ốngcách | R114422 | ||
| 21 | Ốngcách | R240565 |
| STT | Tên sản phẩm | Mã số | Giá bán | Đặt hàng |
|---|---|---|---|---|
| 1 | Vànhđệm Ghi chú : 8.700 X 17 X 2 mm | 24M7238 | 14,000 | |
| 2 | Vít Ghi chú : M8 X 16 | 19M7865 | 27,000 | |
| 3 | Vít Ghi chú : M8 X 70 | 19M7803 | ||
| 4 | Bản | R105175 | ||
| 5 | Lò xo hình đĩa Ghi chú : 14.200 X 28 X 1.500 mm | 12M6601 | ||
| 6 | Vànhđệm | R105216 | ||
| 7 | Trục | SJ10060 | ||
| 8 | Cần Ghi chú : W/ Welded Nuts | RE46017 | ||
| 9 | Gioăng chữO | P51212 | ||
| 10 | Đĩa | R105198 | 671,000 | |
| 11 | Ốnglót | R105208 | ||
| 12 | Cần Ghi chú : W/ Bushing | SJ300764 | ||
| 13 | Ốngcách | R105166 | ||
| 14 | Vànhđệm | R105168 | ||
| 15 | Gioăng chữO Phụ tùng thay thế P48347 | R34404 | ||
| 16 | Đai ốc Ghi chú : M8 | 14M7273 | ||
| 17 | Cổtrục Ghi chú : Không có ống lót | SU303176 | ||
| 18 | Vít Ghi chú : M10 X 25 | 19M8533 | ||
| 19 | Gioăng chữO | H21957 | ||
| 20 | Ốngcách | R114422 | ||
| 21 | Ốngcách | R240565 | ||
| 22 | Biểnbáo Ghi chú : Mức hạ thấp | R140493 |
| STT | Tên sản phẩm | Mã số | Giá bán | Đặt hàng |
|---|---|---|---|---|
| 1 | Vít Ghi chú : M6 X 12 | 19M7774 | 26,000 | |
| 2 | Bản | R226889 | ||
| 3 | Chốt | R225898 | ||
| 4 | Cúthệthốngmỡbôi trơn | JD7763 | ||
| 5 | Giáđỡ Ghi chú : Liên kếtgiữa | R225897 | ||
| 6 | Chốthãm Ghi chú : 3.200 X 32 mm | 11M7017 | ||
| 7 | Đai ốc Ghi chú : M16 | 14M7331 | ||
| 8 | Vànhđệm | R232923 | ||
| 9 | Ốngcách | R225911 | ||
| 10 | Gioăng chữO | H35237 | ||
| 11 | Bộthanh liên kết | R225906 | ||
| 12 | Chốtlòxo Ghi chú : 3 X 24 mm | 34M7023 | ||
| 13 | Vít Ghi chú : M12 X 30 | 19M7789 | 45,000 | |
| 14 | Chi tiếtgiữ | R225910 | ||
| 15 | Vànhđệm | R225908 | ||
| 16 | Miếngchêm Ghi chú : TK = 0.2 mm | R262264 | ||
| 17 | Miếngchêm Ghi chú : TK = 0.5 mm | R262265 | ||
| 18 | Lò xo áp lực | R225907 | ||
| 19 | Nắp Ghi chú : Lò xo cảm biến lực kéo | R226888 | ||
| 20 | Vít Ghi chú : M10 X 20 | 19M7784 | ||
| 21 | Chốtkhóanhanh | SU20995 | ||
| 22 | Chốtbulông | R139684 | ||
| 23A | A Giáđỡ Ghi chú : Lắp đặt liên kết giữa | SJ12064 | ||
| 23B | B Giáđỡ Ghi chú : Lắp đặt liên kết giữa SUB FOR SJ12064 | SJ39218 | ||
| 24 | Vít | R249994 |
| STT | Tên sản phẩm | Mã số | Giá bán | Đặt hàng |
|---|---|---|---|---|
| 1 | Vít Ghi chú : M6 X 12 | 19M7774 | 26,000 | |
| 2 | Bản | R226889 | ||
| 3 | Chốt | R225898 | ||
| 4 | Cúthệthốngmỡbôi trơn | JD7763 | ||
| 5 | Giáđỡ | R225897 | ||
| 6 | Chốthãm Ghi chú : 3.200 X 32 mm | 11M7017 | ||
| 7 | Đai ốc Ghi chú : M16 | 14M7331 | ||
| 8 | Vànhđệm | R232923 | ||
| 9 | Ốngcách | R225911 | ||
| 10 | Gioăng chữO | H35237 | ||
| 11 | Bộthanh liên kết | R225906 | ||
| 12 | Chốtlòxo Ghi chú : 3 X 24 mm | 34M7023 | ||
| 13 | Vít Ghi chú : M12 X 30 | 19M7789 | 45,000 | |
| 14 | Chi tiếtgiữ | R225910 | ||
| 15 | Vànhđệm | R225908 | ||
| 16 | Miếngchêm | R262264 | ||
| 17 | Miếngchêm | R262265 | ||
| 18 | Lò xo áp lực | R225907 | ||
| 19 | Nắp | R226888 | ||
| 20 | Vít Ghi chú : M10 X 20, USE WITH SJ12064 | 19M7784 | ||
| 20 | Vít Ghi chú : M10 X 16, USE WITH SJ12284 | 19M7783 | ||
| 21 | Chốtkhóanhanh | SU20995 | ||
| 22 | Chốtbulông | R139684 | ||
| 23A | A Giáđỡ | SJ12064 | ||
| 23B | B Giáđỡ Ghi chú : SUB FOR SJ12064 | SJ39218 | ||
| 24 | Vít | R249994 |
| STT | Tên sản phẩm | Mã số | Giá bán | Đặt hàng |
|---|---|---|---|---|
| 1 | Bộđệmkín | SJ290462 | ||
| 2 | Vànhkhung | SU290473 | ||
| 3 | Gioăng chữO | SU290474 | ||
| 4 | Vànhkhung | SU290477 | ||
| 5 | Gioăng chữO | SU290478 | ||
| 6 | Gioăng chữO | SU290482 | ||
| 7 | Vànhkhung | SU290483 | ||
| 8 | Vànhkhung | SU290486 | ||
| 9 | Gioăng chữO | 4348665 | ||
| 10 | Gioăng chữO | M158244 | ||
| 11 | Gioăng chữO | U46166 | ||
| 12 | Gioăng chữO Ghi chú : 13.300 X 2.200 mm | 51M7042 | 63,000 | |
| 13 | Gioăng chữO Ghi chú : 17.300 X 2.200 mm | 51M7044 | ||
| 14 | Gioăng chữO | AT309938 | ||
| 15 | Gioăng chữO Ghi chú : 15.300 X 2.200 mm | 51M7043 | 15,000 | |
| 16 | Gioăng chữO | U46731 | ||
| 17 | Gioăng chữO | R35155 | ||
| 18 | Vànhkhung | T26209 | ||
| 19 | Tên phụtùnghiệnnay không có | SJ290463 | ||
| 20 | Bi | SU290489 | ||
| 21 | Van điều chỉnh | SJ290461 | 760,000 |
| STT | Tên sản phẩm | Mã số | Giá bán | Đặt hàng |
|---|---|---|---|---|
| 1 | Vỏ | SU20090 | ||
| 2 | Ốnglót Ghi chú : BÊN PHẢI | R225825 | 661,000 | |
| 3 | Ốnglót Ghi chú : BÊN TRÁI | R225824 | 588,000 | |
| 4 | Vít Ghi chú : M12 X 30 | 19M7789 | 45,000 | |
| 5 | Vít Ghi chú : M12 X 120 | 19M7821 | ||
| 6 | Ống Ghi chú : Đổ dầu | R274697 | ||
| 7 | Lỗthông hơi | RE208697 | ||
| 8 | Nútbịtđầunối | R238981 | ||
| 9 | Đinh tán | 42M7069 | ||
| 10 | Êcu mặtbích Ghi chú : M12 | 14M7299 | 42,000 | |
| 11 | Vítmũ Ghi chú : M14 X 40 | 19M7490 | ||
| 12 | Vànhđệm Ghi chú : 15.500 X 28 X 4 mm | 24M7446 | ||
| 13 | Vỏ Ghi chú : W/ Bushing | SJ10058 | ||
| 14 | Nút Ghi chú : SUB FOR SU22453 | SU48081 | ||
| 15 | Vít đầu ổcắm | R253024 | ||
| 16 | Vít | R249995 | ||
| 17 | Gioăng chữO | T77857 | 11,000 | |
| 18 | Gioăng chữO Ghi chú : 15.300 X 2.200 mm | 51M7043 | 15,000 |
| STT | Tên sản phẩm | Mã số | Giá bán | Đặt hàng |
|---|---|---|---|---|
| 1 | Vànhđệm Ghi chú : 8.700 X 17 X 2 mm | 24M7238 | 14,000 | |
| 2 | Vít Ghi chú : M8 X 16 | 19M7865 | 27,000 | |
| 3 | Vít Ghi chú : M8 X 70 | 19M7803 | ||
| 4 | Bản | R105175 | ||
| 5 | Lò xo hình đĩa Ghi chú : 14.200 X 28 X 1.500 mm | 12M6601 | ||
| 6 | Vànhđệm | R105216 | ||
| 7 | Trục | SJ10060 | ||
| 8 | Cần | RE46017 | ||
| 9 | Gioăng chữO | P51212 | ||
| 10 | Đĩa | R105198 | 671,000 | |
| 11 | Ốnglót | R105208 | ||
| 12 | Cần | SJ300764 | ||
| 13 | Ốngcách | R105166 | ||
| 14 | Vànhđệm | R105168 | ||
| 15 | Gioăng chữO Phụ tùng thay thế P48347 | R34404 | ||
| 16 | Đai ốc Ghi chú : M8 | 14M7273 | ||
| 17 | Cổtrục | SU303176 | ||
| 18 | Vít Ghi chú : M10 X 25 | 19M8533 | ||
| 19 | Gioăng chữO | H21957 | ||
| 20 | Ốngcách | R114422 | ||
| 21 | Nút Ghi chú : SUB FOR SU22453 | SU48081 | ||
| 22 | Ốngcách | R240565 |
| STT | Tên sản phẩm | Mã số | Giá bán | Đặt hàng |
|---|---|---|---|---|
| 1 | Đầunốicóren | R259627 | ||
| 2 | Vànhkhung | SU290473 | ||
| 3 | Gioăng chữO | SU290474 | ||
| 4 | Vànhkhung | SU290477 | ||
| 5 | Gioăng chữO | SU290478 | ||
| 6 | Gioăng chữO | SU290482 | ||
| 7 | Vànhkhung | SU290483 | ||
| 8 | Vànhkhung | SU290486 | ||
| 9 | Gioăng chữO | 4348665 | ||
| 10 | Gioăng chữO | M158244 | ||
| 11 | Gioăng chữO | U46166 | ||
| 12 | Gioăng chữO Ghi chú : 13.300 X 2.200 mm | 51M7042 | 63,000 | |
| 13 | Gioăng chữO Ghi chú : 17.300 X 2.200 mm | 51M7044 | ||
| 14 | Gioăng chữO | AT309938 | ||
| 15 | Gioăng chữO Ghi chú : 15.300 X 2.200 mm | 51M7043 | 15,000 | |
| 16 | Gioăng chữO | U46731 | ||
| 17 | Gioăng chữO | SU290491 | ||
| 18 | Vànhkhung | T26209 | ||
| 19 | Gioăng chữO Phụ tùng thay thế SJ35747 | SU290495 | ||
| 20 | Gioăng chữO | SU290492 | ||
| 21 | Gioăng chữO | SU290493 | ||
| 22 | Bi | SU290489 | ||
| 23 | Van | RE264726 | ||
| 24 | Van điều chỉnh | SU290487 | ||
| 25 | Van điều chỉnh | SU290488 |
| STT | Tên sản phẩm | Mã số | Giá bán | Đặt hàng |
|---|---|---|---|---|
| 1 | Van điều chỉnh Ghi chú : INCLUDES SJ32221 AND SJ40345; SUB FOR SJ11303 | SJ34845 | ||
| 1 | Bộđệmkín | SJ32221 | ||
| 1 | Van kiểmtra Ghi chú : SUB FOR SJ32096 | SJ40345 | ||
| 2 | Van điều chỉnh Ghi chú : Ống dẫn khí nạp SUB FOR SJ12632 | SJ33025 | ||
| 3 | Van điều chỉnh Ghi chú : SCV SUB FOR SJ12449 | SJ33026 | ||
| 4 | Nắp đầu mút | R243180 | ||
| 5 | Vít Ghi chú : M8 X 25 | 19M7867 | ||
| 6 | Vít | SU54210 | ||
| 7 | Van điều chỉnh Ghi chú : Van điềukhiểnmứchạthấp | SJ290466 | ||
| 8 | Vít Ghi chú : M6 X 20 | 19M8736 | ||
| 9 | Vànhđệmkhóa Ghi chú : 10 mm | 12M7135 | ||
| 10 | Vànhđệmkhóa Ghi chú : 8 mm | 12M7065 | ||
| 11 | Đai ốchãm | N207951 | ||
| 12 | Êcu mặtbích Ghi chú : M8 | 14M7298 | 27,000 | |
| 13 | Đinh tán | R138278 | ||
| 14 | Vít Ghi chú : M8 X 25 | 19M7657 | ||
| 15 | Vòng đệm lò xo | SU290627 | ||
| 16 | Gioăng chữO | T77858 | 12,000 | |
| 17 | Gioăng chữO Ghi chú : 19.300 X 2.200 mm | 51M7045 | 14,000 | |
| 18 | Núm | R224174 | ||
| 19 | Đầunốicóren | 38H5121 | ||
| 20 | Móc Ghi chú : Van mócSUB FOR SJ31687 | SJ40343 | ||
| 21 | Van an toàn Ghi chú : ORDER SJ34845 | ....... | ||
| 22 | Gioăng chữO | T77857 | 11,000 |
| STT | Tên sản phẩm | Mã số | Giá bán | Đặt hàng |
|---|---|---|---|---|
| 1 | Vít Ghi chú : M6 X 12 | 19M7774 | 26,000 | |
| 2 | Bản | R226889 | ||
| 3 | Chốt | R225898 | ||
| 4 | Cúthệthốngmỡbôi trơn | JD7763 | ||
| 5 | Giáđỡ Ghi chú : Liên kếtgiữa | R225897 | ||
| 6 | Chốthãm Ghi chú : 3.200 X 32 mm | 11M7017 | ||
| 7 | Đai ốc Ghi chú : M16 | 14M7331 | ||
| 8 | Vànhđệm | R232923 | ||
| 9 | Ốngcách | R225911 | ||
| 10 | Gioăng chữO | H35237 | ||
| 11 | Bộthanh liên kết | R225906 | ||
| 12 | Chốtlòxo Ghi chú : 3 X 24 mm | 34M7023 | ||
| 13 | Vít Ghi chú : M12 X 30 | 19M7789 | 45,000 | |
| 14 | Chi tiếtgiữ | R225910 | ||
| 15 | Vànhđệm | R225908 | ||
| 16 | Miếngchêm Ghi chú : TK = 0.2 mm | R262264 | ||
| 17 | Miếngchêm Ghi chú : TK = 0.5 mm | R262265 | ||
| 18 | Lò xo áp lực | R225907 | ||
| 19 | Nắp Ghi chú : Lò xo cảm biến lực kéo | R226888 | ||
| 20 | Vít Ghi chú : M10 X 20 | 19M7784 | ||
| 21 | Chốtkhóanhanh | SU20995 | ||
| 22 | Chốtbulông | R139684 | ||
| 23 | Giáđỡ Ghi chú : Lắp đặt liên kết giữa | SJ39218 | ||
| 24 | Vít | R249994 |
| STT | Tên sản phẩm | Mã số | Giá bán | Đặt hàng |
|---|---|---|---|---|
| 1 | Vòngchặn | 40M7331 | 244,000 | |
| 2 | Van an toàn | RE251427 | ||
| 3 | Vànhđệm | R226041 | 186,000 | |
| 4 | Gioăng chữO | L2027CU | 164,000 | |
| 5 | Vòngchặn | 40M7016 | ||
| 6 | Cầntrục | SU20945 | 3,557,000 | |
| 7 | Trụctay đònđiềuchỉnh Ghi chú : LGTH = 422 mm, Z = 40 / 46 | R225892 | ||
| 8 | Vànhđệm | R226040 | 808,000 | |
| 9 | Vànhđệm | R262680 | 265,000 | |
| 10 | Chốtlòxo | SU289312 | ||
| 11 | Cầnnâng | R225896 | 4,470,000 | |
| 12 | Chốtlòxo Ghi chú : 1/4" X 2-1/4" | 34H110 | 28,000 | |
| 13 | Thanh giằng | R105155 | 2,754,000 | |
| 14 | Vòng chịu mòn | R225912 | 300,000 | |
| 15 | Píttông | SU52153 | ||
| 16 | Vòngbịt | SU52155 | ||
| 17 | Buồnghìnhtrụ | SU52154 | ||
| 18 | Vít Ghi chú : M12 X 35 | 19M7790 | 63,000 | |
| 19 | Vòng đệm kín | R245442 | ||
| 20 | Nút ống có ren Ghi chú : 1/4" | 15H275 | 85,000 | |
| 21 | Gioăng chữO | T36492 | ||
| 22 | Xylanh thủylực Ghi chú : INCLUDES RE251427 | SJ32208 |
| STT | Tên sản phẩm | Mã số | Giá bán | Đặt hàng |
|---|---|---|---|---|
| 1 | Cung Ghi chú : SUB FOR R233815 | SJ289313 | ||
| 2 | Núm | M48534 | 131,000 | |
| 3 | Êcu mặtbích Ghi chú : M8 | 14M7298 | 27,000 | |
| 4 | Vít Ghi chú : M8 X 16 | 19M7865 | 27,000 | |
| 5 | Vít Ghi chú : M8 X 25 | 19M7867 | ||
| 6 | Cần | SU27309 | ||
| 7 | Đinh tán | R189053 | ||
| 8 | Cần | R212639 | ||
| 9 | Cân | R240937 | ||
| 10 | Chốt | R240945 | ||
| 11 | Núm | R262263 | ||
| 12 | Vòngchặn | T23529 |
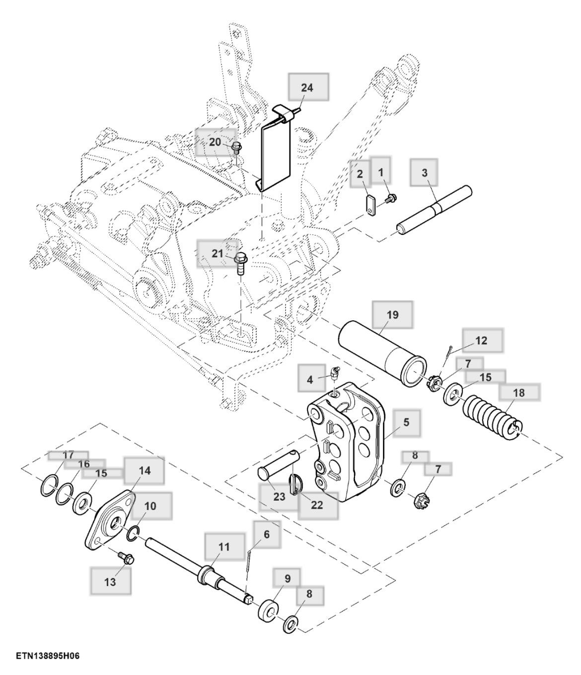
| STT | Tên sản phẩm | Mã số | Giá bán | Đặt hàng |
|---|---|---|---|---|
| 1 | Giáđỡ | RE283575 | ||
| 2 | Chốtbulông | R224377 | ||
| 3 | Nút | W42420 | ||
| 4 | Giáđỡ | RE285602 | ||
| 5 | Đườngốngdầu | SJ23150 | ||
| 6 | Đườngốngdầu | RE285605 | ||
| 7 | Vòngchặn | R120797 | 282,000 | |
| 8 | Chốtbulông | R128357 | ||
| 9 | Nhãn Ghi chú : SCV 1 SUB FOR R139665 | SU53506 | ||
| 10 | Chốt | R274684 | ||
| 11 | Núm | SU289560 | ||
| 12 | Đai ốc Ghi chú : M10 | 14M7152 | ||
| 13 | Vít Ghi chú : M8 X 16 | 19M7865 | 27,000 | |
| 14 | Vít Ghi chú : M8 X 20 | 19M7866 | 32,000 | |
| 15 | Chếch | 38H5071 | ||
| 16 | Gioăng chữO | T77857 | 11,000 | |
| 17 | Gioăng chữO Ghi chú : 15.300 X 2.200 mm | 51M7043 | 15,000 | |
| 18 | Khớpnốinhanh thủylực | SJ11129 | 2,760,000 | |
| 19 | Khớpnốinhanh thủylực | SJ30426 | 2,108,000 | |
| 20 | KẹpchữU | R267373 | ||
| 21 | Chốtlòxo Ghi chú : 6 X 35 mm | 34M7216 | 19,000 | |
| 22 | Gioăng chữO | H63289 | ||
| 23 | Gioăng chữO Ghi chú : ORDER SJ30426 | SU50069 | ||
| 24 | Gioăng chữO Ghi chú : ORDER SJ30426 | SU50070 | ||
| 25 | Gioăng chữO Ghi chú : ORDER SJ30426 | SU50071 |
| STT | Tên sản phẩm | Mã số | Giá bán | Đặt hàng |
|---|---|---|---|---|
| 1 | Chốtbulông | R128357 | ||
| 2 | KẹpchữU | R267373 | ||
| 3 | Chốt | R274684 | ||
| 4 | Núm | SU289560 | ||
| 5 | Đai ốc Ghi chú : M10 | 14M7152 | ||
| 6 | Vít Ghi chú : M8 X 20 | 19M7866 | 32,000 | |
| 7 | Cần điều khiển Ghi chú : SCV | SJ28652 | ||
| 8 | Chốtlòxo Ghi chú : 6 X 35 mm | 34M7216 | 19,000 | |
| 9 | Giáđỡ Ghi chú : Lắp đặt SCV | SU22328 | ||
| 10 | Chốtbulông | SU22329 | ||
| 11 | Vòngchặn | 40M7039 | ||
| 12 | Nhãn Ghi chú : SCV 1 | SU52786 |
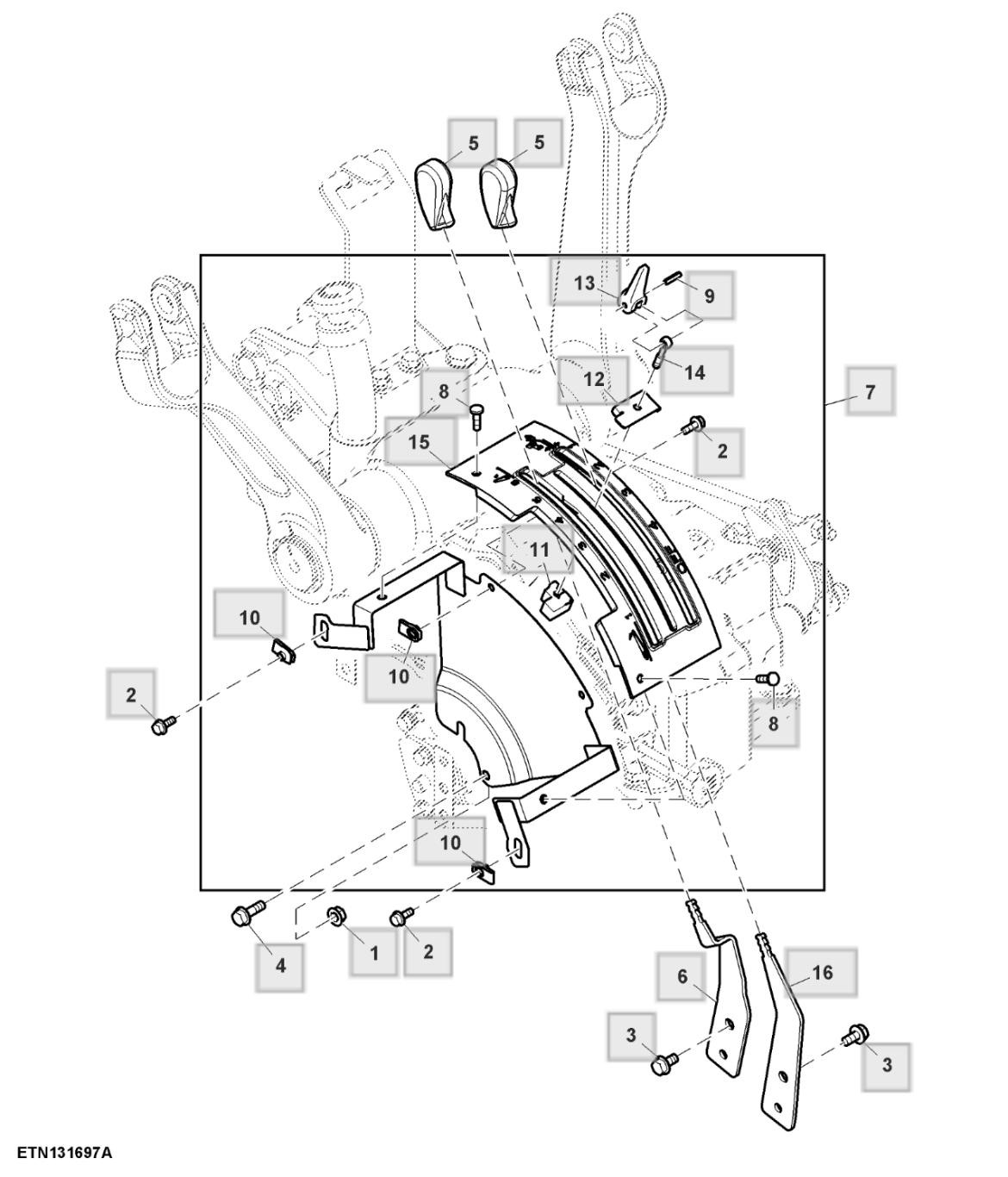
| STT | Tên sản phẩm | Mã số | Giá bán | Đặt hàng |
|---|---|---|---|---|
| 1 | Chốtkhóanhanh | AR60372 | 65,000 | |
| 2 | Chốt | R105228 | 269,000 | |
| 3 | Chốt | R120540 | 231,000 | |
| 4 | Chi tiếtgiữ | R241296 | 170,000 | |
| 5 | Bản Ghi chú : BÊN TRÁI | SJ10383 | ||
| 6 | Ống nối có ren | R215200 | ||
| 7 | Ốngkếtcấu | RE214964 | ||
| 8 | Đầu | RE214974 | ||
| 9 | Chi tiếtliên kếtnâng Ghi chú : BÊN TRÁI | RE214942 | ||
| 10 | Bản Ghi chú : BÊN PHẢI | SJ10384 | ||
| 11 | Chi tiếtliên kếtnâng | RE214920 | ||
| 12 | Vànhđệmkhóa | R214941 | ||
| 13 | Ốngkếtcấu | RE214923 | ||
| 14 | Tay nắm | RE214928 | ||
| 15 | Đầu | RE214925 | ||
| 16 | Chi tiếtliên kếtnâng Ghi chú : BÊN PHẢI, Phụ tùng thay thế SJ23959 | RE214919 | ||
| 17 | Đầunốithanh kẹp | R214926 | ||
| 18 | Thân | R214975 | ||
| 19 | Chi tiếtliên kếtnâng Ghi chú : BÊN PHẢI | SJ23959 |
| STT | Tên sản phẩm | Mã số | Giá bán | Đặt hàng |
|---|---|---|---|---|
| 1 | Liên kếtgiữa Ghi chú : SUB FOR SJ12063 | RE216494 | 5,136,000 | |
| 2 | Cúthệthốngmỡbôi trơn | 58M5573 | ||
| 3 | Tay nắm | RE268853 | ||
| 4 | Đầuliên kết | RE274775 | ||
| 5 | Tay nắm Ghi chú : USE WITH SJ12063 | SJ12363 | ||
| 5 | Tay nắm Ghi chú : USE WITH RE216494 | L63659 | ||
| 6 | Ống Ghi chú : ORDER SJ12063 | RE274777 | ||
| 7 | Đầuliên kết Ghi chú : ORDER SJ12063 | RE274739 | ||
| 8 | Đai ốc Ghi chú : M30, USE WITH RE216494 | 14M7310 |
| STT | Tên sản phẩm | Mã số | Giá bán | Đặt hàng |
|---|---|---|---|---|
| 1 | Chốt Phụ tùng thay thế 45M7058 | R140960 | ||
| 2 | KẹpchữU | R109171 | ||
| 3 | Chốthãm Ghi chú : 4 X 32 mm | 11M7023 | 9,000 | |
| 4 | Êcu mặtbích Ghi chú : M20 | 14M7300 | 104,000 | |
| 5 | Chốtlòxo Ghi chú : 5 X 26 mm | 34M7102 | ||
| 6 | Đinh tán | R256046 | ||
| 7 | Dây ràng cómóc kẹp | AR68071 | ||
| 8 | Thanh giằng | R109168 | ||
| 9 | Đai ốc Ghi chú : M16, Phụ tùng thay thế 14M7260 | 14M7192 | ||
| 10 | Đai ốc | R109169 | ||
| 11 | Đai ốc | R109170 | ||
| 12 | Xíchcân bằng Ghi chú : ORDER SJ24944 | RE45708 | ||
| 13 | Mắtxíchnốikéo Ghi chú : ORDER SJ24943 | SJ25219 | ||
| 14 | Xíchcân bằng | SJ24944 | ||
| 15 | Mắtxíchnốikéo Ghi chú : INCLUDES (4) T21706 | SJ24943 | ||
| 16 | Đai ốc | SU46323 | ||
| 17 | Bi | T21706 | ||
| 18 | Đinh tán | SU42795 |
| STT | Tên sản phẩm | Mã số | Giá bán | Đặt hàng |
|---|---|---|---|---|
| 1 | Đai ốchãm | N207951 | ||
| 2 | Núm | R224174 | ||
| 3 | Biểnbáo Ghi chú : Mức hạ thấp | SU45962 |
| STT | Tên sản phẩm | Mã số | Giá bán | Đặt hàng |
|---|---|---|---|---|
| 1 | Vít Ghi chú : M8 X 16 | 19M7865 | 27,000 | |
| 2 | Vòngchặn | R120797 | 282,000 | |
| 3 | Giáđỡ | RE285602 | ||
| 4 | Khớpnốinhanh thủylực Ghi chú : ORDER SJ30426 | SJ11129 | 2,760,000 | |
| 5 | Gioăng chữO | H63289 | ||
| 6 | Gioăng chữO | T77857 | 11,000 | |
| 7 | Khớpnốinhanh thủylực | SJ30426 | 2,108,000 | |
| 8 | Nhãn Ghi chú : SCV 1 SUB FOR R139665 | SU53506 | ||
| 9 | Đườngốngdầu Ghi chú : Cửa nạp | SJ23150 | ||
| 10 | Đườngốngdầu Ghi chú : Outlet | RE285605 | ||
| 11 | Gioăng chữO Ghi chú : 15.300 X 2.200 mm | 51M7043 | 15,000 | |
| 12 | Chếch | 38H5071 | ||
| 13 | Nút Ghi chú : Xanh lá | W42420 | ||
| 14 | Gioăng chữO | SU50069 | ||
| 15 | Gioăng chữO | SU50070 | ||
| 16 | Gioăng chữO | SU50071 |
| STT | Tên sản phẩm | Mã số | Giá bán | Đặt hàng |
|---|---|---|---|---|
| 1 | Êcu mặtbích Ghi chú : M8 | 14M7298 | 27,000 | |
| 2 | Vít Ghi chú : M6 X 16 | 19M7775 | 26,000 | |
| 3 | Vít Ghi chú : M8 X 16 | 19M7865 | 27,000 | |
| 4 | Vít Ghi chú : M8 X 25 | 19M7867 | ||
| 5 | Núm | M48534 | 131,000 | |
| 6 | Cần điều khiển Ghi chú : Vịtrítrục lắc | R283545 | ||
| 7 | Đoạnrăng | SJ23665 | ||
| 8 | Vít Ghi chú : M6 X 20 | 21M7362 | ||
| 9 | Chốtlòxo Ghi chú : 3/16" X 3/4" | 34H387 | ||
| 10 | Đai ốc | R228649 | ||
| 11 | Cữchặn | R249554 | ||
| 12 | Tấmkhóa | R249555 | ||
| 13 | Cam | R34537 | ||
| 14 | Bulông mắt | R42641 | ||
| 15 | Đoạnrăng | SU20283 | ||
| 16 | Cần Ghi chú : Cầnđiềukhiểnkéo | SU27309 |
| STT | Tên sản phẩm | Mã số | Giá bán | Đặt hàng |
|---|---|---|---|---|
| 1 | Chốtkhóanhanh | AR60372 | 65,000 | |
| 2 | Chốtbulông | RE229142 | ||
| 3 | Móc | SJ25660 | ||
| 4 | Chốt | SU44254 |
| STT | Tên sản phẩm | Mã số | Giá bán | Đặt hàng |
|---|---|---|---|---|
| 1 | Tấmchắn | SJ25658 | ||
| 2 | Ốngcách | R518779 | ||
| 3 | Vànhđệm Ghi chú : 10.500 X 30 X 2.500 mm | 24M7296 | ||
| 4 | Vít Ghi chú : M8 X 30 | 19M7868 | 32,000 |
| STT | Tên sản phẩm | Mã số | Giá bán | Đặt hàng |
|---|---|---|---|---|
| 1 | Tấmchắn | SJ11997 | ||
| 2 | Ốngcách Ghi chú : SUB FOR SU22724 | R518779 | ||
| 3 | Vànhđệm Ghi chú : 10.500 X 30 X 2.500 mm | 24M7296 | ||
| 4 | Vít Ghi chú : M8 X 30 | 19M7868 | 32,000 |
| STT | Tên sản phẩm | Mã số | Giá bán | Đặt hàng |
|---|---|---|---|---|
| 1 | Vít Ghi chú : M16 X 30 | 19M7792 | ||
| 2 | Giáđỡ | SJ25659 | ||
| 3 | Vít | SU43912 | ||
| 4 | Bản | SJ29908 | ||
| 5 | Vít Ghi chú : M6 X 12 | 19M7774 | 26,000 |
| STT | Tên sản phẩm | Mã số | Giá bán | Đặt hàng |
|---|---|---|---|---|
| 1 | Chi tiếtliên kết | 38H5135 | ||
| 2 | Gioăng chữO Ghi chú : 13.300 X 2.200 mm | 51M7042 | 63,000 | |
| 3 | Gioăng chữO | T77857 | 11,000 | |
| 4 | Vòngkẹp | SU32633 | ||
| 5 | Vít Ghi chú : M8 X 20 | 19M7866 | 32,000 | |
| 6 | Vànhđệm Ghi chú : 8.700 X 17 X 2 mm | 24M7238 | 14,000 | |
| 7 | Giáđỡ Ghi chú : Trailer Line Mounting Bracket | SJ32857 | ||
| 8 | Đườngốngdầu Ghi chú : Control Valve to Trailer | SJ32183 | ||
| 9 | Nútbịtđầunối | 38H1147 | ||
| 10 | Đườngốngdầu | SJ33766 |